(1)What is pre-engineered steel building?
Pe-engineered steel buildings are a steel structures built over a structural concept of primary members, secondary members, roof and wall sheeting connected to each other and various other building components. These buildings can be provided with different structural and non-structural additions such as skylights, wall lights, turbo vents, ridge ventilators, louvers, roof monitors, doors & windows, trusses, mezzanine floors, fascias, canopies, crane systems, insulation etc., based on the customer's requirements. All the steel buildings are custom designed to be lighter in weight and high in strength.
(2)Model of pre-engineered steel buildings
(3)Applications of pre-engineered steel buildingsPre-Engineered Buildings are the most flexible solutions for contractors and owners. With the advantages of low cost, high durability, perfect quality control and fast erection; PEBs are used for various applications such as factories, warehouses, logistics center, showrooms, shopping malls, schools, hospitals, community buildings, etc…The application of PEBs:Industrial: Factories, Workshop, Warehouses, Cold Storages, Steel Mills, Assembly Plant
Commercial: Showrooms, Supermarkets, Offices, Shopping Centers, Exhibition Halls, Restaurants, Logistic Centers, Multi-pupose Buildings
Public: Schools, Hospitals, Conference Halls, Laboratories, Museums, Stadiums Others: Farms, Utility Shelters, Pump Stations, Aircraft Hangars, Airport Terminals
(4)Why should we choose pre-engineered steel buildings? 1. Cost Savings
Price per square meter can be 25%-30% lower than conventional steel buildings. Site erection cost is low because of faster erection times and easier erection process. 2. Quick Erection
All steel components are fabricated at the factory and linked by bolts at the site. So the erection process is fast, step by step, easy to install and requires simple equipment. 60% less construction time required compared with the tradtional R.C.C(reinforced concrete) building. 3. Flexibility
Pre-engineered steel buildings are flexible in any requirement of design, easy to expand in the future and also economically with low transportation costs. 4. Energy Efficiency
Nowadays, pre-engineered buildings are the green solution for the environment with CO2 reduction, energy efficiency, and recyclability.(5)Components of a pre-engineered steel building:Pre-engineered metal buildings consists of following components:
Primary Members / Main Frames
Secondary Members / Cold Formed Members
Roof & Wall Panels
Accessories, Buyouts, Crane System, Mezzanine System, Insulation, etc.
Sandwich Panels PRIMARY MEMBERS / MAIN FRAMES
Primary members are the main load carrying and support members of a pre-engineered building. The main frame members include columns, rafters and other supporting members. The shape and size of these members vary based on the application and requirements.
SECONDARY MEMBERS / COLD FORMED MEMBERS
Secondary structural framing refers to purlins, girts, eave struts, wind bracing, flange bracing, base angles, clips and other miscellaneous structural parts.
Purlins, girts and eave struts are cold formed steel members which have a minimum yield strength of 345 MPa (50,000 psi) and will conform to the physical specifications of GB/ISO/CE or equivalent.
ROOF & WALL SHEETS/PANELS
Standard steel panels are 0.3,0.4 0.5 mm or 0.6 mm thick and have a minimum yield strength of 345 MPa. Steel panels are hot dipped and galvanized with zinc or zinc-aluminium coating. The base material is pretreated, before applying a corrosion resistant primer and top coat. The combined thickness of the painted film is 25 microns on the front side and 12 microns on the reverse side.
OTHER BUILDING ACCESSORIESOther building accessories include anchor bolts, fasteners(bolts, nuts, turnbuckle, expansion bolts), gutters, downspouts,doors, windows,ventilators,skylight panels,louvers and all other building-related materials.
(6)Manufacturing programm and method statement on the steel structure:The purpose of method statement is to describe the guidelines and methodology followed by our company during the fabrication, blasting, painting and supply of pre-engineered structure for any of steel building project.
A:Material receiving procedure:
Verify the receiving documents and quantity of the received material by stores.
Submit the load for QC inspection by stores.
As a first inspection QC shall perform Visual inspection to confirm the surface condition and for any damages including the condition of packing and wrapping.
QC shall perform the dimensional inspection if the material found accepted in visual inspection and the material will be returned to supplier if it is rejected.
In the dimensional inspection, QC shall check the all over dimensions such as length, width, depth, thickness etc.
Once the material is accepted in dimensional inspection, the supporting documents like MTC will be verified by QC to ensure that the heat number in the material is matching with the heat number in the received material.
QC shall prepare the Incoming Material Inspection Report as per the inspections carried out above.
B:Preparation of material
Design and Development department will make the drawings of the structural of project. As per the drawings, production department will prepare the items. The preparation of items is divided into two.
PREPARATION OF PLATES
The drawings shall be transferred to the any storage device using the expert software.
These drawings shall be copied into the plate processing machine.
According to the drawings, the preparation of the items shall be carried out.
The automated machine will sense the length of the plate and carry out plate processing according to the fed NC files in expert software. Punching of part mark on the plate will do first.
Drilling of the plates will done as per the NC files in the machine.
Plasma cutting of the plates will be done finally.
PREPARATION OF BEAMS/TUBES etc.
The fabrication drawings shall be prepared by design department and will be fed into the automated cutting and drilling machine.
Next the automated machine will do drilling where ever required as mentioned in the drawings.
After completing the cutting and drilling process the job shall be transferred from drilling machine to fit-up section.
C:Fit-up
The fabrication drawings shall be issued by the production engineer to the production supervisor for execution priority wise
These drawings shall be given to the fabricators for fit-up of job.
The prepared beams and other connection detail items shall be collected by the fabricators for fit-up of the job.
The other items such as end plates, gusset plates, stiffeners, purlin cleats, stay angle cleats etc. shall be fixed in the appropriate places which are mentioned in the fabrication drawing by tack welding.
Once the fit-up of the job shall complete, the production dept. will offer to QC dept. for inspection.
D:Welding&grinding
PROCEDURE-SUBMERGED ARC WELDING
The production supervisor shall plan the jobs to be welded.
Only the items that are fitted and accepted by QC shall be taken for welding.
Clean the location where the welding has to be done free of dust, oil, grease etc.
Set the wire feed and voltage for welding.
The fillet size shall not exceed more than the smaller thickness of the part unless otherwise specified in the drawing.
The fillet size parameters will be maintained according to the chart displayed in the welding area which is prepared based on GB50661-2011 standard
After welding, remove the spatters and slag completely.
Grind off the burrs, sharp edges and excessive reinforcements.
Offer to QC for inspection.PROCEDURE-MIG WELDING
The production supervisor shall plan the jobs to be welded.
Only the items that are fitted and accepted by QC shall be taken for welding.
Clean the location where the welding has to be done free of dust, oil, grease etc.
Set the wire feed and voltage for welding.
The fillet size shall not exceed more than the smaller thickness of the part unless otherwise specified in the drawing.
The fillet size parameters will be maintained according to the chart displayed in the welding area which is prepared based on GB50661-2011 standard
After welding, remove the spatters and slag completely.
Grind off the burrs, sharp edges and excessive reinforcements.
Offer to QC for inspection.
E:Blasting
HANDLING & PREPARATION OF MATERIAL PRIOR TO BLASTING
Prior to any work commencing, Tool Box Talk shall be performed by Foreman for every task involved in the automated blasting and manual blasting phase. The working area shall be barricaded with information notices posted to alert passersby of the operation within.
The ID of fabricated steel to be blasted shall be recorded by Foreman on a shift to shift basis for the purposes of traceability.
Raw material steel sections to be blasted shall be craned onto the "in-feed" rack. The "in-feed" rack shall be custom built and level with the rollers of the conveyor. All rigging shall be planned before the list of items. All personnel involved shall be suitable trained and qualified for the job they are doing.
Once the raw material is sat on the "in-feed" rack, it may be cleaned with high pressure air to remove dust in the surface of the item.
LOADING THE IN-FEED CONVEYOR
Once cleaned, the material is fed into the chamber of the automated machine through the conveyor. The chamber consists of both in & outlet vestibules, on which hung rubber curtains, which serve to prevent the escape of abrasives during the blasting process.
AUTOMATED BLASTING OF RAW MATERIAL
The operator of the machine will be trained in its use. During the commissioning phase, the vendor will train the selected personnel in the safe use and maintenance of the machine. These individuals alone will be allowed to run the machine's control panel.
In the central blast chamber proper, six internally mounted wheels rotate at high speed, throwing the steel shot working mixture at high velocity directly onto the steel substrate, which is the actual blasting activity. As the structural beams move slowly through the chamber, it emerges through the exit vestibule fully cleaned (Grade - SA 2/2.5). Operatives shall not handle or touch the beams during the blasting process. Once fully exited, it is again manually rolled back off the conveyor onto an "out-feed rack" ready for priming.
All personnel working with the automated blasting machine shall wear full PPE in addition to ear protection when in the immediate vicinity of the machine. Signage shall be posted at the machine reminding personnel to comply with these requirements.
F:Painting of fabricated material
Application of paint shall normally be done once per day in the afternoon, once the day's scheduled blasting work is complete. Prior to the application of the primer, the QC shall inspect the blasted surfaces to check the required standards in the approved ITP have been met. Any area(s) deemed to have fallen short of the required standard will require re-blasting either by being driven through the blast chamber again, or by Injection blast gun if possible, whilst still on the out-feed rack. Any 'sweep' blast done by mini pot will utilize copper slag as the abrasive.
Once the blasted surface has been accepted by QC, application of the primer can commence, provided ambient conditions checks prove satisfactory. These must be checked and recorded before any and every application. In order for coatings to proceed, the surface must be at least 3˚C above the dew point temperature, and the relative humidity must be 85% or below. Surface must be dry and free from oil, grease and soluble salts, protrusions, sharp edges, or visible laminations, and not exceed 40˚C in temperature.
Application
Before application QC should do the inspection of the atmospheric conditions according to GB50205-2001
Standard Grade: Air Temperature 5-40 ºC
Substrate Temperature 23-40 ºC
Relative Humidity 50-85 %
Paint shall be applied wherever possible by means of Airless spray. The paint material will be checked for conformity with shelf life restrictions, temperature and batch number. Mixing ratio, tip size and method of agitation shall be checked by QC to ensure adherence with the approved ITP and Paint Manufacturer's recommendations. Pot life will also be monitored once mixed. Only experienced spray applicators shall be used for the application of paint materials, and all shall wear appropriate PPE for the job.
During the application, the spray applicator shall take WFT (Wet Film Thickness) readings in accordance with the approved ITP to ensure his target WFT is being achieved. Spot checks by QC will be made to verify conformitySpecification of Painting System:
Primer coat: Per the project requirement, Second coat: Per the project requirement, Third coat: Per the project requirement
Touchup at site - after erectionG:Loading and shipping
Receives the finished components from the production (Painting dept.) and store them properly job wise in the yard.
Arrange trucks from contract signed truck companies, immediately after getting the clearance of job for loading.
Loading can start once all the details are confirmed.
Copies of all the documents shall be kept in the Job file.
(7)Quality Standard & Control:
With 20 year warranty in the steel building industry,our company has standard on the quality of steel building. We have acquired the ISO9001 and CE certificate. The followings are the related standard that we strictly follow whether for the design and fabrication of steel buildings:
GB/T1591-2008/2018
GB/T11263-2010
GB/T 2518-2008
GB/T12754-2006
GB/T 1228-2006
Here we take an example on the Process, fabrication and quality control standard on fillet weld size.
1. Purpose
To ensure the quality of fillet weld, meeting up the technical requirements of welded members and improve the standardization of our fabrication, we specially formulate this regulation.
2. Application scope
This manual is applying for the design, fabricate and inspection for the fillet weld size.
3. Fillet weld leg size:
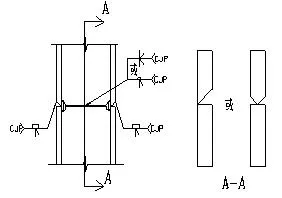
3.1. Definition of fillet weld leg size(K):
Length of catheti from maximum isosceles triangle that drawn from the section of fillet welding seam.
For the fillet weld leg size without groove, please see illustration 1;
For the fillet weld leg size with PJP or CJP groove, please see illustration 2(take CJP for example)
3.2. Fillet weld leg size requirements:3.2.1. All the fillet weld size should not be less than the drawing and design values.3.2.2. Minimum fillet weld size K≥1.5×, t--thickness of thicker welding member(We could adopt the thickness of the thinner welding members when it is welded by low-hydrogen alkaline electrode). The minimum fillet weld size could be reduced by 1mm when it is adopted by sub-merged arch welding; The fillet weld size should be in increased by 1mm when it is applying to the single side fillet weld of T section. When the thickness t≤4mm, the minimum fillet weld size should be same with the member thickness.3.2.3. Maximum fillet weld size K≤1.2t t--thickness of thinner welding members(except the steel tube structure)3.2.4. When the fillet weld being on the edge of welding members(t), the fillet weld size cannot exceed the edge of the welding member and the maximum weld size is as followings: 1)when t≤6mm,K≤t; 2)when t>6mm,K≤t-(1~2)mm3.2.5. For fillet weld size in circular holes or trench holes, K≤(1/3)d d--diameter of circular hole or short diameter of trench hole3.2.6. For the fillet weld size without groove, it should not be more than 17mm. If it has to be more than 17mm due to the load consideration, out of economical factor, it should be changed to CJP or PJP fillet welding.3.2.7. For the fillet weld that requires CJP:K≥t/4, see photos of 3(a)(b)(c). For the fillet weld size between web plate and top flange plate from some important members(e.g.if there is fatigue design requirement), crane beam or similar members, it could be t/2 and cannot more than 10mm meanwhile.
Illustration 34. Selection of fillet weld sizeBased on the standard and our experience and actual process, the requirements on the fillet weld size should be as followings(in terms of when there is no request on drawing but there is inspection request): | Form of fillet weld leg | K(fillet weld size) value | Note |
| Fillet weld without groove | K=(0.7~1)t and≤15mm | for most of the steel structure buildings |
| K=(0.5~0.6)t | for the strengthening ribs and other secondary members |
| Fillet weld with groove(CJP and PJP) | K=t/4 and K≤10mm | for most of the steel structure buildings |
| K=t/2 and K≤10mm | important members(crane beams or connection between web plates and flange plates of similar members) |
Note: 1) t--thinner weld member thickness - For concave fillet welds, the actual measured value is required to be 1-3mm higher than the fillet weld foot size specified in the above table.(because what actual measured is not the fillet weld size, it is larger than the fillet weld size)
- If it is specifically marked on the drawing or technical document for the fillet weld size, we will strictly follow it.
For the secondary members which are free of force and only serves for strengthening, the fillet weld size could refer to the following chart:Minimum fillet weld size could be valued per the following chart: | Parent metal thickness(t)(mm) | Minimum fillet weld size |
| t≤6 | 3(minimum value being 5 for crane beam) |
| 6 | 5 |
| 12 | 6 |
| t>20 | 8 |
KXD's H Section Manufacturing Equipment and Process
Steel plate cutting→H section assembly→Automatic welding-H section strengthening→Assembly→Manual welding→Shot blasting-Painting→
Storage
I.Steel plate cutting
The H section steel plate should be checked again by the factory and shall be applied under the condition of up to design and specified requirements after checking. Steel plate cutting should be aimed at quality guarantee and material saving. For each process like plate cutting,H type assembly, components assembly and pre-assembly should be carried out by profession setting-out worker precisely on processing surface and assembly sample plates.To guarantee the accuracy of the components'geometrical dimension,tolerance of form and position, angle and contact surface,inspection is necessary by inspector after setting out.In order to ensure the cutting quality,the surface of the ultra-thick plate is subjected to the surface carburizing hardness test before cutting.The CNC cutting equipment is preferred for cutting.The high purity 98.0% acrylic gas and 99.99% liquid oxygen gas are used to guarantee the smoothness and flatness of the cutting surface without notches and slags.The groove is cut by a special imported cutting machine.Equipment name: Portable CNC Fire-cutting machine
Model No.: CNCDG-1530
Application feature: steel plate cutting(5-100mm plate cutting thickness), beveling of the edge.Advantageous in small equipment and easy-to-move. Mainly for cutting regular and irregular small components and beveling of the plate.
Equipment name:Straight flame cutting machine
Model No.:DZCG-4000A
Application feature:steel plate cutting(5-100mm plate cutting thickness),Y flange plate, web plate cutting, effective cutting width: 3200mmEquipment name:CNC cutting machineModel No.:CNC-4000C
Application feature:steel plate cutting(5-100mm plate cutting thickness),Y flange plate,web plate and irregular component cutting,effective cutting width: 3200mm
Equipment name: Radial drilling machine
Model No.:Z3050*16/1
Application feature:Maximum drilling diameter φ50mm,Mainly for processing of component bolt-connection holes
Equipment name:Puncher machine
Model No.:JH21-400
Application feature:Maximum stamping pressure-400 ton,Mainly for plate punching, blanking, bending and shallow stretchingEquipment name:Shearing machine
Model No.:Q11Y-25*2500
Application feature:cutting width 2500mm and cutting thickness 3-25mmII.H section steel assembly
The assembly process is set up on the imported H section production line.4 hydraulic positioning system press firmly against between the upper/lower flange and web plates in position. The adjust the parallelism of the flange plates and perpendicularity between flange and web plates and get them fixed after. The fixing welding should adopt C02 gas shielded welding.
Equipment name:H section steel assembly machine
Model No.:Z20B
Application feature:mainly for H type assembly u,flange width 150-800mm,web height 160-2000 mm
III.Automatic welding
The H section steel members will be hoisted into the gantry-type submerged arc automatic welding machine for welding.The welding process should be carried out in accordance with specified welding sequence and regulation parameters.Preheating, which uses the electrical heaters, is necessary for the ultra-thick plates of components.The set temperature shall be determined based on the specified one.Please see factory welding process documents for detail.Equipment name: Gantry-type submerged arc automatic welding machine
Model No.:LHA5ZB
Application feature:Mainly for assembly welding of H section steel whose maximum cross section up to 800mm×2000mm
IV.H section steel strengthening machine
H section steel strengthening process: Correction of flange flatness by using H section steel flange plate strengthening machine.Flame-correct the perpendicularity between the H section flange and web plate under special circumstances and then correct the side bending of the H section steel. The flame temperature should be controlled under the range of 600~800ºC.Equipment name:H section steel strengthening machine
Model No.:YTJ60B
Application feature:Mainly for correcting the deformation of I beam or H section steel flange plate during welding process,flange width 200-1000mm, flange thickness≤60mm, web height≥350mmEquipment name:H section flange strengthening machine
Model No.: HYJ-800
Application feature:Mainly for correcting the deformation of I beam or H section steel flange plate during welding process,flange width 160-800mm,flange thickness≤40mm,web height≥160mm
V.Simulated assembly of component
1.Get familiar with component shop drawing and technical requirements.
2.The model components need to re-check by related department after making and finalizing of the model components and then to assemble.
3.Accurate mark-up
4.Inspect the component after first assembly.For multi-group components, pre-assembly for the first group and then batch assembly after qualified test.VI.Manual welding
VII.Shot blasting
Equipment name:10-ramming heads shot blasting machine
Model No.:QH1525
Application feature:Mainly for shot blasting of section steels including H section steel, welded members and steel plate,10 ramming head; Machine entry size:1500Í2500 and member at 1200Í2000 size could pass the machine at once; up to Sa2.5 Grade.VIII.Painting
The surface of the members should be in even,flat, glossy and full painting without manifest of cracking, peeling and pin holing.The color and coating thickness should also meet design requirements.If there is no certain requirements,the following standards should be followed:thickness is 150μm indoor while 125μm outdoor.The allowable deviation is -25μm.The allowable deviation of dry paint film thickness for each-time painting
Two coats of primer:thickness being40±5μm; Two coats of finish paint:thickness being 60±5μm.Equipment name:Airless sprayer
Model No.:CPQ9CA
Application feature: Derived capacity:56 L/min,Air consumption:50~1200 L/min.Mainly for surface paint of structural members, Pressure ration: 32:1 Process, fabrication and quality control standard on welding groove/beveling of steel structure1. PurposeTo ensure the welding quality, meeting up the technical requirements of welded members and improve the standardization of our fabrication, we specially formulate this regulation.2. Application scopeThis manual apply for the design, fabricate and inspection of groove joint in terms of manual arc welding, CO2 arch welding, mixed gas arch welding, submerged arc welding and electroslag welding.3. Design of welding groove3.1 Key points on design welding groove:In order to obtain quality groove, it is necessary to choose appropriate form of groove. The option of groove mainly depends on the thickness of base metal, welding method and craftsmanship requirements.The followings are the factors we need to consider: - minimize the amount of filler metal
- easy for beveling
- in convenience for welding operation and slag removal
- After welding stress and deformation should be as small as possible
3.2 Groove direction:We will consider the following factors for the groove direction:A)in favor of welding process and removing slag and leave enough space for welding process on the fusion faceB)minimize the times of flip-flop during weldingC)way of fit-up in actual welding3.3. Regulation on groove direction of members:3.3.1 Butt welding on H section rafter/column (when CJP-complete joint penetration and single side fusion is required)1) When there is no welding backing, the groove orientation on flange plates should be same and falls on the direction in favor of welding on web plats(same rules apply for the PJP situation). Please refer to illustration 1
2)When there is welding backing, we require the groove direction being outward for the flange plates(opposite direction for web plates) and still falls on the direction in favor of welding on web plates. Please refer to illustration 2
3)Butt-welding on construction site:we require all the grooves should be bevelled on the upper rafter/column when it comes to bolt connection for web plates(see illustration 3). For the scenario of welding on web plates, please refer to the illustration 4.

3.3.2 Box column(groove on itself).See illustration 5
4. Welding groove form4.1. Mark on form and size of welding joint groove:
Example: Shielded metal arch welding, complete joint penetration, butt welding, I shape groove, welding backing and single side weld would be marked MC-BI-BS14.2. For the mark of welding method and penetration type, please see the following chart 1.Chart 1 Mark on welding method and penetration type | Mark | Welding method | Penetration type |
| MC | Shielded metal arch welding | CJP-complete joint penetration |
| MP | PJP-partial joint penetration |
| GC | Shielded arch welding Self-shielded arc welding | CJP-complete joint penetration |
| GP | PJP-partial joint penetration |
| SC | Submerged arc welding | CJP-complete joint penetration |
| SP | PJP-partial joint penetration |
| SL | Electroslag welding |
|
4.3. For the mark of single, double side welding and backing material type, please see the following chart 2Chart 2 Single/double side welding and backing material type mark | Backing material type | Single/double side welding |
| Mark | Material | Mark | Single/double side welding |
| BS | Metal backing | 1 | Single side welding |
| BF | Other backing | 2 | Double side welding |
4.4. Mark on each part size of groove, see chart 3.Chart 3 Size mark on groove | Mark | Size of each part on groove |
| t | Thickness of welding plate(mm) |
| b | Groove root gap or gap between two members(mm) |
| h | Groove depth(mm) |
| p | Groove roof face(mm) |
| α | Groove angle(º) |
Applicable Codes
LATEST INTERNATIONAL CODES COMPLIANCE
A. (GB50009-2012): Load code for the design of building structures
Loads on all buildings are applied in accordance with:
2012 edition of the Load code for the design of building structures
B. (MOHURD): Ministry of Housing and Urban-Rural Development of the People's Republic of China
Manufacturing and Erection tolerances are applied as per:
GB50205-2001 edition Code for acceptance of construction quality of steel structuresC.(MOHURD): Ministry of Housing and Urban-Rural Development of the People's Republic of China Hot rolled sections and built up sections are designed in accordance with:
GB50017-2017 Code for design of steel structure
D. CISA - China Iron & Steel Association - Latest Edition
Cold formed members are designed in accordance with:
GB50018-2002 Technical code of cold-formed thin wall steel structures
E. (MOHURD): Ministry of Housing and Urban-Rural Development of the People's Republic of China
Welding is applied in accordance with:
JGJ81-2002 Technical specification for Welding of steel structure of building
F. Surface treatments are applied in accordance with:
GB/T 8923.1 Preparation of steel substrates before application of paints and related products-Visual assessment of surface cleanliness-Part 1: Rust grades and preparation grade of uncoated steel substrates and of steel substrates after overall removal of previous coatings
STRICT DEFLECTION CRITERIA | Deflection | Type of structural members | Deflection Limitation |
| Vertical Deflection | Portal frame rafter | Only support corrugated steel sheets roof and cold-formed section purlins | L/180 |
| If there is ceiling system | L/240 |
| If there is top running crane | L/400 |
| Mezzanine floor | Main beam | L/400 |
| Secondary beam | L/250 |
| Purlins | Only support corrugated steel sheets roof | L/150 |
| If there is ceiling system | L/240 |
| Corrugated roof steel sheet | L/150 |
| Lateral Deflection | Wall panel | L/100 |
| Wind columns or wind truss structures | L/250 |
| Wall beam | Only support corrugated steel sheet wall | L/100 |
| Support masonry wall | L/180 and ≤50mm |
Material SpecificationsThe material standards for which the building components have been designed as per specifications.
STANDARD MATERIAL SPECIFICATIONS | Material Specifications |
| No | Components | Specifications | Minimum yield strength | Applicable Design Code |
| 1 | Built -up (Plates) | GB/T1591-2008 | Fy = 34.5 kN/cm2 | CISA - China Iron & Steel Association - Latest Edition |
| 2 | Hot Rolled | Angles | GB/T3274-2007 | Fy = 23.5 kN/cm2 | CISA - China Iron & Steel Association - Latest Edition |
Beams | GB/T11263-2010 | Fy = 23.5 kN/cm2 | CISA - China Iron & Steel Association - Latest Edition |
| 3 | Cold Form | Galvanized | GB/T 2518-2008 | Fy = 45.0 kN/cm2 | CISA - China Iron & Steel Association - Latest Edition |
| 4 | Roof panel/Wall panel (Zinc) | GB/T12754-2006 | Fy = 34.5 kN/cm2 | CISA - China Iron & Steel Association - Latest Edition |
| 5 | Roof panel/Wall panel (Alu) | GB/T12754-2006 | Fy = 34.5 kN/cm2 | CISA - China Iron & Steel Association - Latest Edition |
| 6 | X-Bracing | Galvanized cable bracing | GB/T 700-2006 | Fu = 157 kN/cm2 | CISA - China Iron & Steel Association - Latest Edition |
| 7 | Anchor bolts | GB/T 700-2006 | Fu = 40.0 kN/cm2 | CISA - China Iron & Steel Association - Latest Edition |
| 8 | High strength Bolts | GB/T 1228-2006 | Ft = 30.3 kN/cm2 Fu = 72 to 83 kN/cm2 | CISA - China Iron & Steel Association - Latest Edition |
| 9 | Machine Bolts | GB/T 1228-2006 | Ft = 13.8 kN/cm2 Fu = 41.0 kN/cm2 | CISA - China Iron & Steel Association - Latest Edition |